SGF系列 三相 100W

SGF系列 三相 100W
SGF系列 三相 100W
立即咨询

联系热线

190-5756-1776

产品介绍

性能特点

采用了准双曲面齿轮设计,性能上兼有蜗轮蜗杆齿轮的低噪音和伞齿轮的高效率特点;不受输出轴方向限制,同时提供直交轴减速电机空心轴系列产品,让用户选用、安装更加灵活方便。

选型参数

5.1.jpg

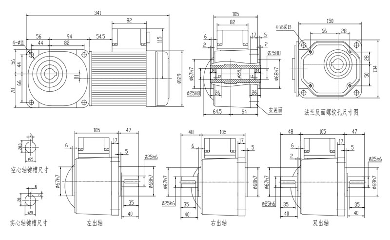
产品图纸

SGF系列 三相 100W双曲面/直角减速电机图纸

截屏,微信识别二维码

微信号:19057561776

(点击微信号复制,添加好友)